您的位置首页百科知识

接地电阻测试仪怎么使用

接地电阻测试仪怎么使用

的有关信息介绍如下:

使用方法

1、接地电阻测量(如图一)

接地电阻测试仪怎么使用

图一

· 沿被测接地极E(C2、P2)和电位探针P1及电流探针C1,依直线彼此相距20米,使电位探针处于E、C中间位置,按要求将探针插入大地。

· 用专用导线将地阻仪端子E(C2、P2)、P1、C1与探针所在位置对应联接。

· 开启地阻仪电源开关“ON”,选择合适挡位轻按一下键该档指标灯亮,表头LCD显示的数值即为被测得的地电阻。

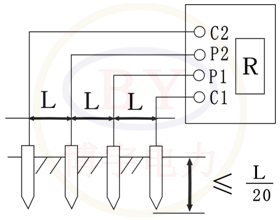
2、土壤电阻率测量(如图二)

接地电阻测试仪怎么使用

图二

· 测量时在被测的土壤中沿直线插入四根探针,并使各探针间距相等,各间距的距离为L,要求探针入地深度为L/20cm,用导线分别从C1、P1、P2、C2各端子与四根探针相连接。若地阻仪测出电阻值为R,则土壤电阻率按下式计算:

Ф=2πRL

其中

Ф—土壤电阻率(Ω·cm)

L—探针与探针之间的距离(cm)

R—地阻仪的读数(Ω)

用此法测得的土壤电阻率可近似认为是被埋入探针之间区域内的平均土壤电阻率。

· 测地电阻、土壤电阻率所用的探针一般用直径为25mm,长0.5~1m的铝合金管或圆钢。

3、导体电阻测量(图三)

接地电阻测试仪怎么使用

图三

4、地电压测量

测量接线如图一,拨掉C1插头,E、P1间的插头保留,启动地电压(EV)档,指示灯亮,读取表头数值即为E、P1间的交流地电压值。

5、测量完毕按一下电源“OFF”键,仪表关机。

注意事项

1、存放保管本表时,应注意环境温度湿度,应放在干燥通风的地方为宜,避免受潮,应防止酸碱及腐蚀气体。

2、测量保护接地电阻时,一定要断开电气设备与电源连接点。在测量小于1Ω的接地电阻时,应分别用专用导线连在接地体上,C2在外侧P2在内侧如图四所示:

接地电阻测试仪怎么使用

图四

3、测量大型接地网接地电阻时,不能按一般接线方法测量,可参照电流表、电压表测量法中的规定选定埋插点。

4、测量地电阻时最好反复在不同的方向测量3~4次,取其平均值。

5、本仪表为交直流两用,不接交流电时,仪表使用电池供电,接入交流时,优先使用交流电。

6、当表头左上角显示“←”时表示电池电压不足,应更换新电池。仪表长期不用时,应将电池全部取出,以免锈蚀仪表。

接地电阻测试仪怎么使用

接地电阻测试仪

博宇电力公司接地电阻测试仪介绍

1、工作原理

接地电阻测试仪摒弃传统的人工手摇发电工作方式,采用先进的中大规模集成电路,应用DC/AC变换技术将三端钮、四端钮测量方式合并为一种机型的新型接地电阻测量仪。

工作原理为由机内DC/AC变换器将直流变为交流的低频恒流,经过辅助接地极C和被测物E组成回路,被测物上产生交流压降,经辅助接地极P送入交流放大器放大,再经过检波送入表头显示。借助倍率开关,可得到三个不同的量限:0~2Ω,0~20Ω,0~200Ω。

2、使用范围

接地电阻测试仪适用于电力、邮电、铁路、通信、矿山等部门测量各种装置的接地电阻以及测量低电阻的导体电阻值;本表还可测量土壤电阻率及地电压。

3、主要特点

· 结构上采用高强度铝合金作为机壳,电路上为防止工频、射频干扰采用锁相环同步跟踪检波方式并配以开关电容滤波器,使仪表有较好的抗干扰能力。

· 采用DC/AC变换技术将直流变为交流的低频恒定电流以便于测量。

· 允许辅助接地电阻在0~2KΩ(RC),0~40KΩ(RP)之间变化,不致于影响测量结果。

· 本仪表不需人工调节平衡,3(1/2)位LCD显示,除测地电阻外,还可测低电阻导体电阻、土壤电阻率以及交流地电压。

· 如若测试回路不通表头显示“1”代表溢出,符合常规测量习惯。

接地电阻测试仪技术指标

1、使用条件

环境温度:0℃~+45℃

相对湿度:≤85%RH

2、测量范围及恒流值(有效值)

电阻:0~2Ω(10mA),2~20Ω(10mA),20~200Ω(1mA)

电压:AC 0~20V

3、测量精度及分辨率

精度:0~0.2Ω≤±3%±2d

0.2Ω~200Ω≤±5%±2d

1~20V≤±3%±2d

分辨率:0.001Ω、0.01Ω、0.1Ω、0.01V

4、辅助接地电阻及地电压引起的测量误差

·允许辅助接地电阻RC(C1与C2之间)

0~2Ω,2~20Ω ≤1KΩ

20~200Ω ≤2KΩ

RP(P1与P2之间)<40KΩ 误差≤±5%

·允许地电压(工频有效值)≤5V 误差≤±5%

5、电源及功耗

最大功率损耗≤2W

直流:8×1.5V(AA,R6)电池

交流:220V/50Hz

6.体积与重量

体积:217mm×217mm×133mm

重量:≤1.8kg