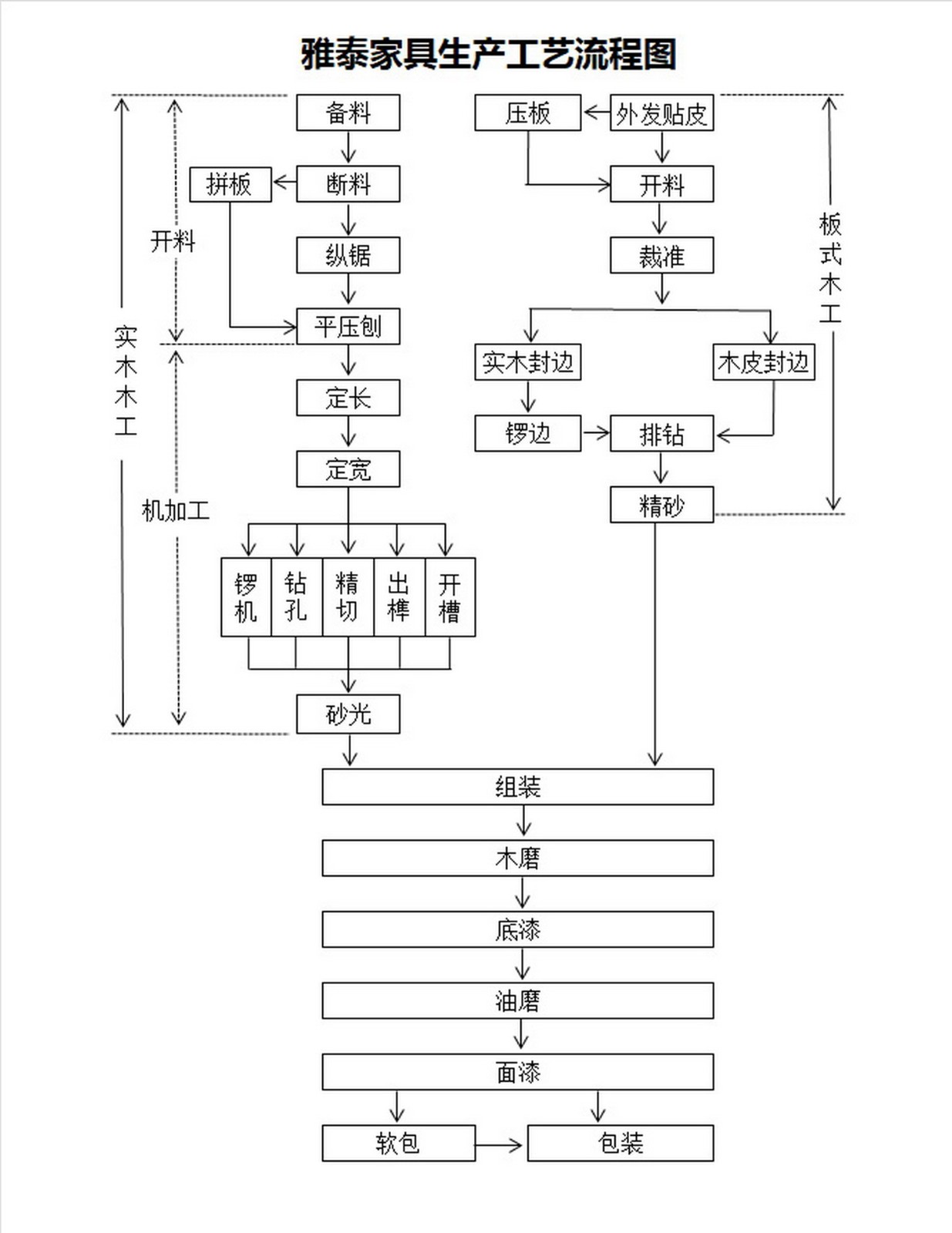
家具工艺流程
的有关信息介绍如下:通过各种加工设备改变原材料的形状、尺寸或物理性质,将原材料加工成符合技术要求的产品所进行的一系列工作过程称为工艺流程。企业创建相应的生产工艺流程优化机制,同时须掌握必要的方法和工具,才能保证整个生产工艺流程的顺畅及高效。工艺流程是生产过程中的基本部分,家具生产工艺流程的构成根据加工特点或加工目的不同又分为若干工段。根据雅泰公司酒店定制家具生产实际情况,制定生产工艺流程操作指引如下:
一、实木木工生产工艺流程
1、开料
1).木材含水率,没有干燥过的木材一般含水率在50%以上,生产家具所用的木材含水率要求控制在8%-10%左右,木材经过干燥后不容易出现开裂、变形等现象。
2).备料,木制品按其部位可分为外表用料、内部用料以及暗用料三种,区分木料直纹、山纹,颜色搭配一致,备料宽度按所需宽度合理放余量,选料时要把内裂、端裂、节疤、蓝变、朽木部分取下。
3).断料,毛料板材修整长度,下料按所需长度加长20mm。
4).粗刨,给毛料板材定厚,刨去毛料板材上不能用的毛边。
5).拼板,胶的配比:固化剂(10—15克)、拼板胶(100克),每次调胶500克左右,在木材之间均匀涂胶,用拼板夹将木材进行紧固拼装,放置4小时后待胶水凝固方可拆开拼板夹具,拼板时注意高低差、长短差、色差、节疤等。
6).锯切定宽,用纵锯给木材定宽。
7).压刨,拼板后的材料需刨去木材板面无多余的胶水,根据需要的形状用压成型。
2、机械加工
1).铣型。用立铣、 台式锣机、花槽机、小锣机等机械,通过选用不同的刀具和模具,将工件铣切出各种不同的外部形状,以满足外观用装配要求,加工后的外形和尺寸要与图纸相符,必须保证加工精度,部件表面应光滑、平整、过渡自然、线型流畅一致,不允许有崩茬、毛刺、跳刀和发黑或明显的波浪形加工痕迹。
2).钻孔。按图纸的工艺要求进行钻孔,加工过程中做到无崩口,无毛刺,孔位加工误差不得超过0.2mm,首件产品配套钻孔、常试装后才能批量加工,确保零部件的加工质量。
3).精切,给毛料定长,加工过程中做到无崩茬、发黑,长与宽的加工误差不超过0.2mm,1米以下对角线≤0.5mm,1米以上板片对角线应≤1mm。
4).出榫。根据不同产品的要求,选用不同的刀具进行加工,将厚度一致的木料放在机器的平台上,将好的一面作为表面,紧靠档位板后,按下气动开关,待夹紧木料后,向前匀速推进,至顶后拉回,松开气动开关,取出木料,进行第二次作业,若零部件需要两头开榫,切完一端后放下档位条,将切好的一端紧靠档板和档位条,再切另一端。作业过程中要轻拿轻放,将加工好的工件放在专用的垫板上,并分层摆放整齐。
5).开槽。检查模具、模板表面是否有划伤,边角有无磕碰,按图纸要求确定要开的槽在零部件的具体位置,清楚开槽的长度、宽度和深度,开始加工前用余料试机,以检查槽边、槽深、槽长是否符合图纸尺寸,符合要求后方可批量生产,开出的槽要成直线与侧与部面垂直(异形件除外),槽宽、槽深允许正公关0.2mm,槽长可适当加大公差,但不能有负公差。
6).部件砂光。机械加工完成后用砂带机装细砂带进行砂光,每次进料0.1mm;砂光好的成品应平整、无砂痕、边角一致。
二、板式木工生产工艺流程
1、贴木皮。我厂贴木皮工序由供货应代为加工,回厂的贴皮板按照我司标准检验合格后入库,生产部根据订单要求使用的木皮种类和数量领取。
2、压胶。
1).冷压的压力和时间应根据不同板材、胶水、气候而定,一般工作压力为4-6吨,冷天(15度以下)时间最少不低于4小时,热天(15度以上)时间不得低于2小时。
2).白乳胶以不漏涂、不流胶为宜,压胶后的板件胶合须牢固,不允许脱胶,铺板板料必须与骨架相邻两边对齐,上下板允许偏差≤3mm;
3).需打气钉的部位不允许有开槽、钻孔,钉子不许高出板面,不能有弯曲、变形、划痕、烂木皮、污渍及多余胶液。
3、开料。
1).将板材靠紧推料器,板边对齐,先锯直一次板边,锯掉木皮5mm宽;
2).按照开料单的数量、尺寸调机开料,一次上机板料厚度不能超过8cm,开好后标明部件、名称、数量后,放到指定的位置上。
3).开出的板材毛料,两对角线长度之差小于2mm,长宽尺寸公差为±1mm;板材净料,两对角线长度之差小于1mm,长宽尺寸公差为±0.5mm;
4、实木封边。准备已经精加工好的板材和封边木材,在板材的侧边加工出凹形榫槽,实木的侧面加工出凸形榫槽,均匀涂胶后用夹具夹紧,待胶水凝固后拆除夹具,清除家具上面的胶水。也可以把将镶边条制成小木方榫簧,在木材和板件上加工出榫槽,通过胶黏剂将木条镶嵌在板坯上,待胶水干燥再凝固后,再进行边缘铣型装饰和平面砂平处理。实木封边需采用与板材已贴木皮相同或相近的树种,色泽和纹理要匹配保证封边后可以与板面浑然一体。
5、木皮封边。根据部件尺寸的厚度进行调机,调机后先试封两块符合要求后才可以批量操作。覆面板和木皮结合牢固、密封,表面平整、清洁、无胶痕,不允许有崩口的现象,封出的边角要平整,不能有烂边、碰坏的部件,确保尺寸与形状的精度。
6、精砂。用120#砂带对板材表面材料进行砂磨,使板材表面平整、光滑,以提高光洁度。
四、产品涂装工艺流程
1、擦色。擦色剂调漆员调配后先试擦,确认调配正确适度(以色板为准,适当调节)再交给生产主管。工作前先将擦色剂搅拌均匀不能有沉淀物,使用的毛刷清洗干净,用不掉色的布擦拭。用毛刷均匀刷遍产品,不能有漏白的现象,再用布条快速地将擦色剂擦拭干净。检查产品是否有残留的擦色剂没擦干净,是否有流挂、着色不均匀等现象。
2、手工打磨。打磨分为木磨和油磨两个部分,组装送来的产品先填补所有碰刮伤,再用砂纸把产品的毛刺进行打磨后喷底漆,底漆喷涂晾干后用砂纸把喷漆后产品上所产生的毛刺砂平,打磨光滑、平整,再喷底漆,反复多次完成后交面漆工序。
3、机械打磨。为提高工作效率,板式产品部件面积较大的采用机械打磨。有部分板面在木工生产前,供应商已经加工滚底油的,不需要再打磨,检查无质量问题直接交面油工序。
4、喷底漆,喷涂前需先将灰尘吹拭干净,检查擦色效果和质量。头度底漆浓度为16秒,二度底漆浓度为18秒,三度底漆浓度为16秒,厚度为一个十字。每次喷涂完成后自然晾时间为6—8小时。
5、 修色。修色前先检查产品是否良品,产品上的灰尘和污染物需清理干净。由调漆员调配好颜色,再比照色板先修一个产前样,由现场主管确定颜色后方可作业。
6、油磨,修色后的产品自然晾干时间为4—6小时,再以800#砂纸将产品表面打磨光滑,打磨过程中要注意,防止打漏,色漆打花等现象。
7、面漆。面漆前需先检查产品是否属于良品,产品表面是否光滑,表面灰尘和附着物必须清理干净。面漆的浓度为11—12秒,厚度为一个十字。
8、家具底漆和面漆喷涂次数因工艺和客户要求会有所不同,具体情况按照该批次施工要求操作。开放漆、半封闭漆和全封闭漆的喷涂次数基本保持在三底两面到五底三面之间。
五、软包生产工艺流程
1、钉制木架。全软包床架用夹板制作,全软包沙发架可以用杂木钉制,木材的含水率控制在12%-18%以内,木材内不得有活虫或白蚁存在,所选木材硬度适当,花纹和色泽无特殊要求,沙发框架钉好后用夹板覆盖在有间隙的木方上面以防止海绵等材料受压时内陷。床架、沙发扶手或沙发脚等需要做油漆的部件,按照该批次产品的材质、花色,由木工部门加工,打磨和油漆完成喷涂后交给软包工序。
2、打底。钉制好的木架检验合格后,在沙发坐垫和靠放置用马钉把弹簧两端固定在沙发架上,弹簧钢材性能不低于65Mn或70号钢,然后在弹簧上面钉上布带,椅类产品不用钉弹簧,用布带钉成紧密的田字格,布带宽50-70mm,有适当的弹性,最后在沙发底架上蒙一层底布。
3、成型。根据软体产品不同造型制作模板,把海绵按要求尺寸或模板裁切好,用少许喷胶贴在底架上。面料(布料、皮革或真皮等)按要求尺寸或按模板裁剪后由缝纫工位进行缝制成外套靠垫等,再把缝制好的面料扪在已贴好海绵的沙发架上。
六:包装生产工艺流程
1、检验。目视:检查产品整体颜色搭配是否一致,在自然光下观看产品油漆面是否平整,是否有流挂,喷涂不匀,产生桔皮以及漏喷、雾白等现象。手摸:用手抚摸油漆表面,检查表面是否光滑,是否有颗粒存在。用手感觉油漆的质感、手感是否良好,对产品表面轻微的瑕疵进行修补。
2、配件。抽屉导轨安装好,拉手拆装件等五金配套后专门包装成小包,保证不会破坏产品任何部位的情况下用胶带固定在产品内侧。不锈钢大件五金可以分别包装,在包装箱上标注分箱数量。
3、包装,底板、层板等部件用珍珠棉或发泡胶垫好,保证运输途中不会松动致使产品划花可磨坏喷漆部件。成品家具边角容易磕碰的地方,用珍珠棉、护条、护角緾裹好再放入包装箱内。
七、生产工艺流程图


